您好,欢迎光临国际米兰app下载安装!

咨询服务热线

0379-63086299

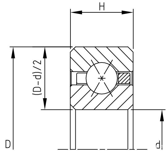
英制等截面薄壁四点接触球轴承

  • 英制等截面薄壁四点接触球轴承 X型四点角接触球轴承与A、C型轴承的区别在于其滚珠沟槽的形状。深沟槽深度与四点接触结构使轴承能够承受径向、轴向载荷以及扭矩载荷。类似于一对A型轴承的背对背组合。...
立即咨询
全国热线0379-63086299

详情介绍

英制等截面薄壁四点接触球轴承
      X型四点角接触球轴承与A、C型轴承的区别在于其滚珠沟槽的形状。深沟槽深度与四点接触结构使轴承能够承受径向、轴向载荷以及扭矩载荷。类似于一对A型轴承的背对背组合。

英制四点接触球轴承.png

1.png

2.png

3.png

4.png

5.png

6.png

7.png

推荐产品


Copyright © 2005-2025 国际米兰app下载安装 版权所有 备案号:豫ICP备10000262号

豫公网安备 41032202000136号

扫一扫咨询微信客服
0379-63086299
  • 微信号:18837917076微信二维码

Baidu
map