咨询服务热线




谐波减速器轴承包括刚性轴承和柔性轴承两大类型,刚性轴承包含四种系列,CSG(CSF)系列、CSD系列、SHG(SHF)系列、SHD系列,其命名方式采用减速器的命名;柔性轴承的命名为HYR。
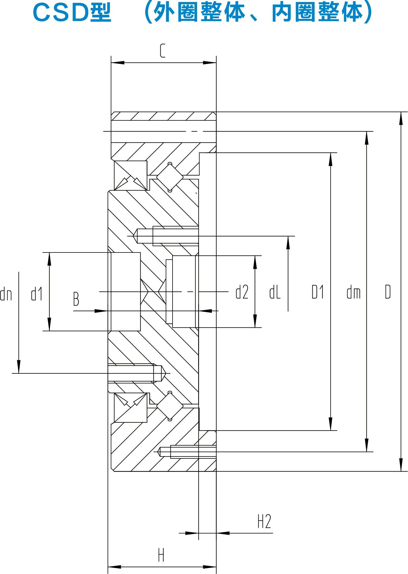
谐波减速器用刚性轴承为交叉圆柱滚子结构,根据其使用场合分为外圈分体、内圈整体,外圈、内圈都是整体两大类;滚动体为圆柱滚子,互成90°垂直排列在V型滚道中,这种结构的轴承可同时承受轴向载荷、径向载荷和倾覆力矩等各个方向的载荷,轴承具有高精度、高刚性以及复合承载能力。
产品名称:CSD型(外圈整体、内圈整体)
介绍:外圈和内圈均为整体结构,外径尺寸和CSG型相同,比CSG型轴承具有更高的刚性,主要应用在CSD系列减速器输出部位。
参数:


